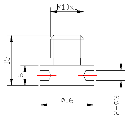
vibrating specimen dimensions Please click here to see photographs of vibrating specimens ! vibratory rig with a stationary specimen Photographs of stationary specimens are to be found here !
vibrating specimen dimensions Please click here to see photographs of vibrating specimens !
vibratory rig with a stationary specimen Photographs of stationary specimens are to be found here !