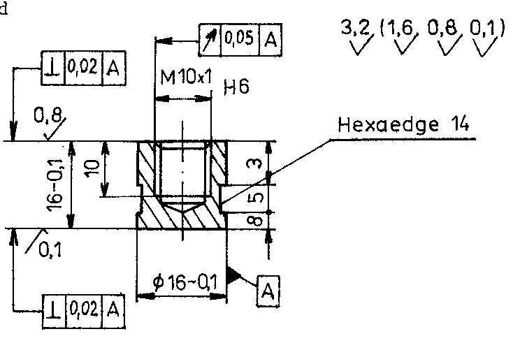
Vibratory sample mounting method
according to the Czechoslovakian Standard CSN-015082-76