PHOTOGRAPHS OF TEST SAMPLES

Vibratory rig
at the Tsinghua University, Beijing

PA2 aluminium alloy




before the test




after the test


M70 brass


after the test

E04 Armco iron


before the test

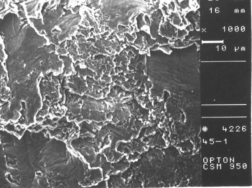
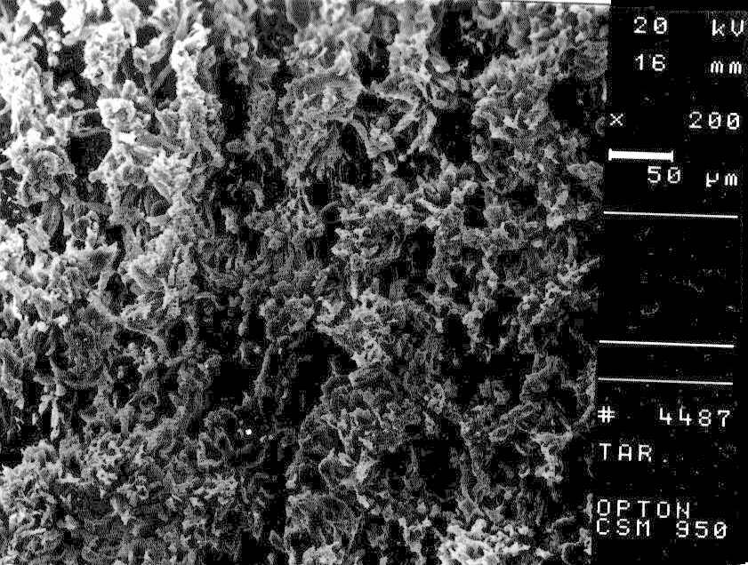
45 carbon steel


before the test


after the test

1H18N9T stainless steel


before the test


after the test

polyamide 6 plastics


before the test


after the test