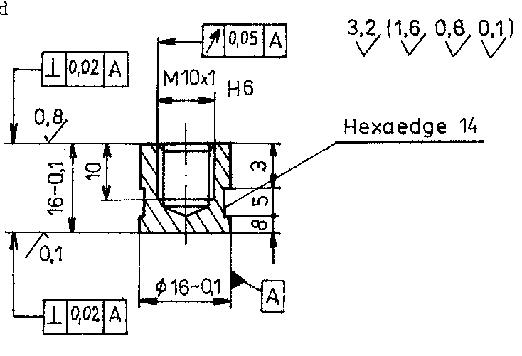
Vibratory sample mounting method
according to the Czechoslovakian Standard CSN-015082-76


Photographs of test samples are to be found here !